產品簡介
液壓隔膜計量泵常用單聯的獨立參數提供用戶。也可根據用戶需要制造同機座同規格的多聯組合或不同機座不同規格組合。多聯式適用于工藝流程中需多種介質的比例配送。該泵可廣泛用于石油、化工、紡織、食品、造紙、原子能技術、電廠、塑料、制藥、水廠、環保等工業部門。用來向加壓或常壓容器及管道內精確定量輸送不含固體顆粒的液體。其流量可以開機(或定機)時從0-100%范圍內無級調節。(根據計量泵的特性,行程一般不小于總行程的10%)單缸泵適用于單一液體的場合;組合泵可作比例泵使用,也可并聯使用;泵組合可作為三比例泵使用,也可三泵并聯,以達到較大排量,增高了液體的脈沖頻率,促使液體連續順暢加入;
液壓隔膜式計量泵采用兩種調節方式:一是改變泵的柱塞行程長度,可在停機或運行狀態進行。計量精度在土1%以內,用于手動調節的有調量表,千分尺來指示柱塞相對行程值。二是采用變頻電機與變頻器組合,改變輸入的電源頻率調節泵速,改變流量大小。此方法適用于自動、遙控及計算管理調節方式。 JYSR系列液壓隔膜式計量泵 可調計量范圍:0-630L/H 壓力承受范圍:0-25MPa 驅動方式:電機驅動 控制方式:手動、自動控制 (可接收4-20mA信號來調節流量) 配置方式:泵頭保溫、冷卻、電機可配防爆
- 噪音小。
- 吐出壓力更高一款系列可達500KG。
- 定量輸出,在泵運行或停止時也可任意調節流量,計量精確度到正負百分之一。
- 通過液壓及N型曲軸機構來傳遞動力,性能平穩。
| 泵頭部位材料 |
工作條件 |
| 計量泵頭:SUS304、SUS316 |
環境溫度:-15℃-常溫 |
| 計量閥: SUS304、SUS316 |
電機: 二相、三相標準電機或防爆電機 |
| 閥球: 二氧化硅、SUS304、SUS316、陶瓷、氧化鋯 |
功率:0.75KW 1.1KW 1.5KW |
| 密封: 聚四氟乙烯 |
防護等級:IP54 |
選型范圍
被廣泛采用于易燃、易爆、易揮發、強腐蝕、放射性、劇毒、懸浮液以及昂貴的液體介質輸送;達到高壓加注液體目的。
| 型號 |
流量(L/H) |
壓力(Mpa) |
柱塞直徑(mm) |
行程(mm) |
泵速(min-1) |
電機功率(kw) |
進出口徑(DN) |
重量(kg) |
| JYSR 24/25 |
24 |
25 |
16 |
30 |
96 |
1.5 |
10 |
140 |
| JYSR 24/16 |
24 |
16 |
1.1 |
| JYSR 40/20 |
40 |
20 |
20 |
1.5 |
| JYSR 40/10 |
40 |
10 |
1.1 |
| JYSR 50/16 |
50 |
16 |
1.5 |
| JYSR 50/8.0 |
50 |
8.0 |
1.1 |
| JYSR 60/13 |
60 |
13 |
22 |
144 |
1.5 |
15 |
155 |
| JYSR 60/6.3 |
60 |
6.3 |
1.1 |
| JYSR 80/10 |
80 |
10 |
1.5 |
| JYSR 80/5.0 |
80 |
5.0 |
1.1 |
| JYSR 100/8.0 |
100 |
8.0 |
25 |
1.5 |
| JYSR 100/4.0 |
100 |
4.0 |
1.1 |
| JYSR 110/9.0 |
110 |
9.0 |
1.5 |
| JYSR 110/6.3 |
110 |
6.3 |
1.1 |
| JYSR 125/6.3 |
125 |
6.3 |
32 |
96 |
1.5 |
| JYSR 125/3.2 |
125 |
3.2 |
1.1 |
| JYSR 160/5.0 |
160 |
5.0 |
36 |
1.5 |
| JYSR 160/2.5 |
160 |
2.5 |
1.1 |
| JYSR 200/4.0 |
200 |
4.0 |
40 |
1.5 |
| JYSR 200/2.6 |
200 |
2.6 |
1.1 |
| JYSR 250/3.2 |
250 |
3.2 |
45 |
1.5 |
20 |
162 |
| JYSR 250/2.0 |
250 |
2.0 |
1.1 |
| JYSR 320/2.3 |
320 |
2.3 |
50 |
1.5 |
| JYSR 320/1.6 |
320 |
1.6 |
1.1 |
| JYSR 400/2.0 |
400 |
2.0 |
55 |
1.5 |
| JYSR 400/1.4 |
400 |
1.4 |
1.1 |
| JYSR 460/1.6 |
460 |
1.6 |
60 |
1.5 |
| JYSR 460/1.2 |
460 |
1.2 |
1.1 |
| JYSR 500/1.4 |
500 |
1.4 |
63 |
144 |
1.5 |
| JYSR 500/1.0 |
500 |
1.0 |
1.1 |
| JYSR 750/1.4 |
750 |
1.4 |
1.5 |
| JYSR 750/1.0 |
750 |
1.0 |
1.1 |
結構圖紙
結構原理
液壓隔膜式式計量泵 由電動機傳動機構、液壓系統等組成。
傳動機構
- 行程調節機構由曲軸、偏心輪、調節螺母、調節絲桿、調節手輪(柄)、刻度盤〔指針)和標尺構成,由改變偏心距來達到柱塞的相對行程。
- 由電機動力傳遞給蝸桿、蝸輪實現減速旋轉,促使曲軸、連桿機構作往復運動,帶動柱塞產生液力。
液壓系統
- 液壓隔膜式式計量泵液力端的柱塞由傳動端的曲柄連桿機構的往復運動帶動進行工作。柱塞在液壓腔內作往復運動,促使液壓油的壓力變化,使液壓隔膜式撓曲位移來輸送介質,液壓腔內液壓油量的相對穩定,由三闊的功能來保持。
- 液壓液壓隔膜式式計量泵的液壓系統,其結構由柱塞、缸體、缸蓋、進出口闊、液壓隔膜式和三闊組成(即:放氣過載闊、限位闊、補償闊:)。在工作中由膜片隔開液壓油和介質,故液壓隔膜式式計量泵有無泄漏的優點。
- 過載闊自動排出液壓油中進入液壓腔內的氣體,保證工作的平穩,避免了液壓油過多或排放管道受阻產生超壓自動開啟載載闊,達到保護目的。
- 限位補償裝置是借助液壓隔膜式推動限位闊的開放,按液壓腔內的真空度隨時補充油量,保證液壓腔內液壓油的充滿。
裝配圖
| 序號 |
零件名稱 |
件數 |
|
序號 |
零件名稱 |
件數 |
| 1 |
電機 |
1 |
|
25 |
柱塞 |
1 |
| 2 |
內六角螺栓 |
4 |
26 |
0型密封圈 |
|
| 3 |
彈簧墊圈 |
4 |
27 |
0型密封圈 |
1 |
| 4 |
上軸承座 |
1 |
28 |
進油閥總成 |
1 |
| 5 |
內六角螺栓 |
4 |
29 |
進出水接口 |
1 |
| 6 |
彈簧墊圈 |
8 |
30 |
單向閥總成 |
2 |
| 7 |
連桿 |
1 |
31 |
限位閥總成 |
2 |
| 8 |
蝸輪 |
1 |
32 |
膜片 |
1 |
| 9 |
泵體 |
1 |
33 |
螺帽M16 |
1 |
| 10 |
軸承 |
1 |
34 |
彈簧墊圈 |
10 |
| 11 |
偏心輪 |
1 |
35 |
泵頭 |
10 |
| 12 |
曲軸 |
1 |
36 |
雙頭螺栓 |
1 |
| 13 |
軸承 |
1 |
37 |
彈簧墊圈 |
8 |
| 14 |
軸承隔套 |
1 |
38 |
螺帽 |
8 |
| 15 |
下蓋板 |
1 |
39 |
0型密封圈 |
8 |
| 16 |
0型密封圈 |
1 |
40 |
0型密封圈 |
1 |
| 17 |
鎖夾 |
1 |
41 |
透氣過載閥總成 |
1 |
| 18 |
油池 |
1 |
42 |
柱塞鎖帽 |
1 |
| 19 |
密封墊片 |
1 |
43 |
螺絲 |
1 |
| 20 |
放油螺塞 |
1 |
44 |
復合軸承 |
3 |
| 21 |
油封壓板 |
1 |
45 |
活塞銷 |
1 |
| 22 |
油封 |
1 |
46 |
蝸桿 |
1 |
| 23 |
0型密封圈 |
1 |
47 |
軸承6007 |
1 |
| 24 |
活塞 |
1 |
48 |
|
|
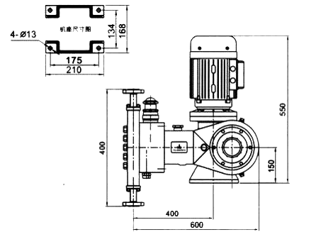
安裝尺寸本數據僅供參考,請以實際訂貨為準!
泵的安裝
- 泵應安裝在高于地面300-500毫米高混疑土上,將泵以水平狀態校正;多聯泵安裝應注意以泵的相間聯軸器為校正基準,同心度偏差不得超過0.15毫米〔彈性聯軸器),鋼性聯軸器應在0.05毫米之內;
- 將泵浦安裝在高于藥槽200-300皿的堅固基礎上,并水平安裝。
- 吸排管路上不應有急劇的彎頭〔不大于90°),并應盡量減少管路中彎曲和增加阻力的部件。
- 勿將泵浦及藥槽安裝在日光直接照射之處。
- 藥槽平時應補充藥液及保養檢査之需,請置于較寬敞的場所。
- 請勿安裝在易按觸濕氣或腐蝕性氣體之處。
- 泵浦安裝之周圍溫度在-20~+40℃,高度在海拔1000M以下使用。
管路安裝
- 吸入配管通徑不能少于泵的吸入闊口徑,并應盡量縮短吸入管道長度,一般2-3米為宜; 如必須增加長度時,則應適當加長,但長度不得超過5米(但啟動時的吸入液體時間相對延長)。
- 與吸入、排出闊〔法蘭)聯接的管道,不能強行結合而使泵闊增加負荷,不得將管道及闊門等的重量由泵和吸排闊承擔。管路安裝完畢應支承并固定好管件。
特殊液體對管道通量的增加
- 為了確保泵的安全運營以及管路系統的安全,應在排出管道上設置安全闊,如需要減少被輸送液體的脈沖,可在靠近泵排出管路上安裝緩沖器。
- 對于輸送懸浮液及易產生沉淀的介質,在泵的吸入及排出附近應增設闊門及三通,以便在泵運營停止時不拆開管路就能進行缸體內沖洗。
安裝規范
泵安裝的其它技術要求應符合《機械設備安裝工作施工及驗收規范》TJ231 (五)-78-泵安裝的有關規定。


使用說明
運行前的準備工作
- 泵應安裝在堅固的專用基礎上,校正后緊定地腳螺栓,如果安裝在混凝土基礎上應高出地面100-150毫米以上。
- 連接管路應裝測量儀表。〔如壓力表等、用戶自備)。
- 吸入管路末端應裝有過濾裝置。(用戶自備也可象我公司訂購)。
- 電器控制設備根據使用情況應盡可能安裝在泵工作地點,(不涉及安全的前提下),電器控制設備應裝設與輸送介質相應的控制保護裝置,以確保安全。
- 吸入與排出管徑應不少于進出口管徑,吸入管路應盡量短。如吸入管路過長或彎管接頭過多,應進行NPSHa核算。以滿足必須凈正吸入壓頭的要求。
- 排出管路應裝有安全闊或安全溢流闊和背壓闊(用戶自備)如需減少出口壓力脈沖,可在最近泵排出路上設穩壓裝置。(用戶自備)。
- 泵安裝的其它技要求應符合《機械設備安裝及驗收規范》TJ231(五)-78-中的有關規定。
泵運轉前的準備工作
- 安裝驗收合格后,開機前應檢査各連接處螺栓、螺母不允許有任何松動,新泵應清除泵上的防腐或污垢,清除時應用煤油檫洗,切用鏟刮。
- 液壓油箱內注入適量的L-HM46液壓油,油量以油標水平中線為準。
- 傳動箱內注入適量的L-CKE460蝸輪油(SH/T0094-199)或L-CKE460工業閉式齒輪油(GB5903-1995),油量以油標水平中線為準。
- 用手動聯軸器或電機,使柱塞全行程往復移動若干次,不得有任何卡阻現象。
- 按電機各牌接通電源,啟動電機,檢査電機的旋轉方向是否與轉向標志一致。(注:此時管路上的進出口闊應處于完全敞開狀態,否則后果自負)
泵的流量調節
- 根據工藝流程的流量要求,將調量表或刻度盤轉相應的指示值。流量的調節應從小到大的原則。若需從大到小調節時(流量表),觀察指針隨調節手輪的旋轉而游動,當指針到要求位置時,并超過數格,再向大流量方向使指針,調要求值。調節完畢,需將手輪鎖緊。
- 流量調節可以在停車或運轉中進行,調定后泵的流量約需1-2分鐘才能穩定,流量越大,穩定時間就越長。
- 過載闊的調整,在出廠前已按額定排出壓力調定,如實際排出壓力與額定排出壓力不同時按下表(單位:MPa)進行調整。
| 實際排出壓力 |
0.2-1.0 |
1.3-4.0 |
5.0 -8.0 |
10.0 -16.0 |
| 闊開啟壓力% |
0.15P |
0.3P |
0.2P |
0.1P |
注:P為額定壓力。為了安全,建議非專業人員不得隨意調動。
- 完成上述各項工作后,確認無誤,方可投入運行。
- 停機前首先使出口節流闊處于完全開狀態,排出壓力降至常壓,此時才能切斷電源停止運行。
維護保養
維護
- 傳動箱、液壓油箱內應保持指定的油位,不應過多或過少。
- 潤滑油和液壓油應干凈無雜后,并按下表周期進行更換。
| 油類 |
使用期限 |
換油周期 |
| 潤滑油 |
開始3-6個月 |
每3個月更換一次 |
| 潤滑油 |
6個月以后 |
每6個月更換一次 |
| 液壓油 |
開始2-5個月 |
每2個月更換一次 |
| 液壓油 |
5個月以后 |
每5個月更換一次 |
- 泵運轉2000-3000小時以后,應拆開檢査內部零件,進行檢修和更換易損件。
- 泵若長期停用,應將液缸內的介質排凈放干,并把表面清洗干凈,外露加工表面需防銹油。存放期內泵應置于干燥處。
拆卸與裝配
液壓隔膜式式計量泵液力端的拆卸。擰開液壓油箱底處的內六角螺塞,放掉箱內的液壓油,盤動電機聯軸器,把活塞移向前死點,將活塞從十字頭上拆出,將液壓端從機座上拆下來然后按以下順序拆下液力端各部件:
- 拆下放氣過載闊和補償闊總成;
- 拆下進出口壓闊法蘭,依次取出闊套,〔闊芯、彈簧)闊座;
- 擰開缸蓋上的固定螺母,拆下缸蓋,依次取液壓隔膜式;
- 拆下缸體與油箱的螺栓,取下缸體、柱塞、液缸,再取下限位闊組件。
- 卸下液壓油箱與傳動箱的聯接螺母,取下油箱。
裝配按下列順序進行:
按液壓隔膜式計量泵液壓端拆卸順序的逆序裝在傳動箱上。調節好補油闊和放氣過載闊,在裝放氣過載闊前,從放氣過載闊油孔加足液壓油,使液壓腔內的氣體排出。裝配完畢,轉動聯軸器, 應運轉自如,無卡阻現象。
注意事項
注意事項
注意事項
1.計量泵使用前請在齒輪箱內加220#媧輪蝸桿油或50#齒輪油至油標,并在液壓油池內加L-HM32-46液壓油至油標。
2.計量泵開機之前一定要確保出口管路通暢(閥門全開〉。
3.計量泵要停止工作時先關閉計量泵,再關閉出口閥門。
4.計量泵電機接線一定要按照電機銘牌的電壓接線(380V或220V)。
5.不銹鋼管路接頭焊接時,切不可把焊渣或雜物掉入管路或閥體內(從而會造成計量泵不出水、壓力變小或流量變小)。
6.出口管路壓力一定要高于進口管路壓力,如果低于進口壓力,一定要加裝背壓閥, 防止產生虹吸。
7.出口管路口徑一定要大于或等于,相應計量泵的標配口徑。
故障排除
| 故障 |
原因 |
排除方法 |
| 完全不排液 |
1.吸入高度太高 2.吸入管道阻塞 3.吸入管道漏氣 |
1.降低安裝高度可減少彎頭閥門 2.清洗疏通吸入管道 3.壓緊或更換法蘭墊片 |
| 排液量不夠 |
1.吸入管道局部阻塞 2.吸入或排出闊內有雜物卡阻 3.充油腔內有氣體 4.充油腔內油量不足或過多 5.補償闊或過載闊漏油 6.泵閥磨損,關閉不嚴 7.轉數不足 |
1.清洗疏通吸管道 2.清洗吸排闊 3.人工補油使安全闊跳開排氣 4.經補償并作人工補油或排油 5.對闊進行研磨 6.修理或更換闊件 7..檢査電機和頻率 |
| 排出壓力不穩定 |
1.吸入或排出闊內有雜物卡住 2.液壓隔膜式限制板或排出管連接處漏油 3.過載闊或補償闊動作失靈 |
1.清洗吸排闊 2.擰緊連接外螺釘 3.按安全闊補償闊組的調試方法進行調整 |
| 計量精度不夠 |
1.充油腔內有殘余氣體 2.過載閥或補償動作失靈 3.柱塞密封漏液 4.液壓隔膜式片發生永久性變形 5.吸入或排出闊磨損 6.電機轉速不穩定 |
1.經較長時間運營后氣體自然排凈 2.補償闊堵塞或過載闊彈簧折斷,檢査修正后按過載闊補償闊組的調試方法進行調整 3.更換缸套與活塞環 4.更換液壓隔膜式片 5.更換新件 6.穩定電源頻率和電壓 |
| 運轉中有沖擊聲 |
1.傳動零件松動或嚴重磨損 2.吸入高度過高 3.吸入管道漏氣 4.液壓隔膜式腔內油量多 5.介質中有空氣 6.吸入管徑太小 |
1.擰緊有關螺絲或更換新件 2.降低安裝高度 3.壓緊吸入法蘭 4.輕壓補償作人工瞬時排油 5.排出介質中空氣 6.增大吸入管徑 |
| 輸送介質油污染 |
1.液壓隔膜式片破裂 |
1.更換新件 |