產品簡介
中成泵業生產的QBY系列氣動隔膜泵是一種新型輸送機械,采用壓縮空氣為動力源,對于各種腐蝕性液體,帶顆粒的液體,高粘度、易揮發、易燃、劇毒的液體,均能予以抽光吸盡。其性能參數與聯邦德國的WLLDENPVMPS、美國的MARlOWPUMPS相近。
隔膜泵主要用途
- 泵吸花生醬、泡菜、土豆泥、小紅腸、果醬蘋果漿、巧克力等。
- 泵吸油漆、樹膠、顏料。
- 粘合劑和膠水、全部種類可用泵吸取。
- 各種瓦、瓷、磚器及陶器釉漿。
- 油井鉆好后,用泵吸沉積物及灌漿。
- 泵吸各種乳劑和填料。 .
- 泵吸各種污水。
- 用泵為油輪,駁船清倉吸取倉內污水。
- 啤酒花及發酵粉稀漿、糖漿、糖密。
- 泵吸礦井、坑道、隧道、選礦、礦渣中的積水。泵吸水泥灌漿及灰漿。
- 各種橡膠漿。
- 各種磨料、腐蝕劑、石油及泥漿、清洗油垢及一般容器。
- 各種劇毒、易燃、易揮發液體。
- 各種強酸、強堿、強腐蝕液體。
- 各種高溫液體最高可耐150℃。
- 作為各種固液分離設備的前級送壓裝置。
幾種隔膜材料特性
| 隔膜品種 介質種類 |
丁睛橡膠 |
氯丁橡膠 |
氟橡膠 |
聚四氟乙烯 |
食品橡膠 |
| 發煙硝酸 |
× |
× |
△ |
△ |
|
| 濃硝酸 |
× |
× |
△ |
△ |
|
| 濃硫酸 |
× |
× |
○ |
△ |
|
| 濃鹽酸 |
× |
△ |
△ |
△ |
|
| 濃磷酸 |
× |
△ |
△ |
△ |
|
| 濃醋酸 |
× |
× |
× |
△ |
|
| 濃氫氧化鈉 |
○ |
○ |
△ |
△ |
|
| 無水氨 |
△ |
△ |
△ |
△ |
|
| 稀硝酸 |
× |
× |
○ |
△ |
|
| 稀硫酸 |
△ |
△ |
△ |
△ |
|
| 稀鹽酸 |
× |
○ |
△ |
型號意義
產品優勢
QBY氣動隔膜泵既能抽送流動的液體,又能輸送一些不易流動的介質,具有自吸泵、潛水泵、屏蔽泵、泥漿泵和雜質泵等瑜送機械的許多優點。
- 不需灌引水,吸程高達7M,揚程達50M,出口壓力≥6kgf/cm2。
- 流動寬蔽,通過性能好,允許通過最大顆粒,直徑達10mm抽送泥漿、雜質時,對泵磨損甚微。3、揚程、流量可通過氣閥開度實現無級調節。(氣壓調節在1-7kg/cm2之間)。
- 該泵無旋轉部件,沒有軸封隔膜將抽送的介質與泵的運動部件,工作介質完全隔開,所輸送的介質不會向外泄漏。所以抽送有毒,易揮發或腐蝕性介質時,不會造成環境污染和危害人身安全。
- 不必用電,在易燃、易爆場所使用安全可靠。
- 可以浸沒在介質中工作。
- 使用方便、工作可靠、開停泵只需簡單地打開和關閉氣體閥門,即使由于意外情況而長時間地無介質運行或突然停機,泵也不會因此而損壞,一旦超負荷,泵便會自動停機,具有自我保護性能,當負荷恢復正常以后,又能自動啟動運行。
- 結構簡單、易損件少,該泵結構簡單、安裝、維修方便,泵輸送的介質不會接觸到配氣閱,聯桿等運動部件,不象其他類型的泵因轉子、活塞、齒輪、葉片等部件的磨損而使性能逐步下降。
- 可輸送較粘的液體。(粘度在1萬厘泊以下)
- 本泵無須用油潤滑,即使空轉,對泵也無任何影響。這是該泵一大特點。
選型范圍
- 流量:0-30m3/h
- 揚程:0-40m
- 口徑:10-100mm
- 溫度:-15-+120℃
- 壓力:0.1-0.7MPa
- 自吸高度:5m
| 型號 |
流量 (m3/h) |
揚程 (m) |
出口壓力 (kgf/cm2) |
吸程 (m) |
最大允 許能 過顆粒 直徑 (mm) |
最大供氣 壓力 (kbf/cm2) |
最大供氣 消耗量 (m3/min) |
材料 |
| 鋁合金 |
不銹鋼 |
鑄造鐵 |
增強聚丙烯 |
| QBY-10 |
0~0.8 |
0~40 |
6 |
5 |
1 |
7 |
0.3 |
★ |
★ |
★ |
★ |
| QBY-15 |
0~1 |
0~40 |
6 |
5 |
1 |
7 |
0.3 |
★ |
★ |
★ |
★ |
| QBY-25 |
0~2.4 |
0~40 |
6 |
5 |
2.5 |
7 |
0.6 |
★ |
★ |
★ |
★ |
| QBY-40 |
0~8 |
0~40 |
6 |
5 |
4.5 |
7 |
0.6 |
★ |
★ |
★ |
★ |
| QBY-50 |
0~12 |
0~40 |
6 |
5 |
8 |
7 |
0.9 |
★ |
★ |
★ |
/ |
| QBY-65 |
0~16 |
0~40 |
6 |
5 |
8 |
7 |
0.9 |
★ |
★ |
★ |
/ |
| QBY-80 |
0~24 |
0~40 |
6 |
5 |
10 |
7 |
1.5 |
★ |
★ |
★ |
/ |
| QBY-100 |
0~30 |
0~40 |
6 |
5 |
10 |
7 |
1.5 |
★ |
★ |
★ |
/ |
注:★-有 ∕-無
結構圖紙


1 進氣口 2 配氣閥體 3 配氣閥 4 圓球 5 球座 6 隔膜 7 連桿 8 連桿銅套 9 中間支架 10 泵進口 11 排氣口
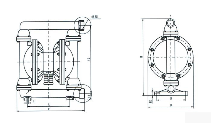
安裝尺寸本數據僅供參考,請以實際訂貨為準!
| 型號 |
A |
B |
C |
D |
E |
H1 |
H2 |
H3 |
G |
絲扣 |
備注 |
| QBY-10 |
120 |
58 |
210 |
140 |
10 |
40 |
255 |
12 |
270 |
3/8” |
工程塑料、氟塑料 |
| QBY-15 |
120 |
58 |
210 |
140 |
10 |
40 |
255 |
12 |
270 |
1/2” |
| QBY-10 |
120 |
0 |
210 |
140 |
12 |
30 |
220 |
10 |
240 |
3/8” |
鑄鐵、不銹鋼、鋁合金 |
| QBY-15 |
120 |
0 |
210 |
140 |
12 |
30 |
220 |
10 |
240 |
1/2” |
| 型號 |
A |
B |
C |
D |
E |
H1 |
H |
絲扣 |
備注 |
| QBY-10 |
160 |
0 |
200 |
160 |
10 |
40 |
260 |
3/8” |
鑄鐵、不銹鋼、鋁合金 |
| QBY-15 |
160 |
0 |
200 |
160 |
10 |
40 |
260 |
1/2” |
| QBY-20 |
180 |
155 |
300 |
200 |
10 |
40 |
400 |
3/4” |
| QBY-25 |
210 |
160 |
320 |
230 |
12 |
50 |
470 |
1” |
| QBY-40 |
210 |
160 |
320 |
230 |
12 |
50 |
470 |
11/2” |
| 型號 |
A |
B |
D5 |
D6 |
C |
H |
H1 |
DN1 |
DN2 |
n-d1 |
n-d2 |
D3 |
D4 |
E |
n-d4 |
進氣口 外徑 |
備注 |
| QBY-25 |
215 |
150 |
100 |
100 |
380 |
530 |
70 |
25 |
25 |
4-Φ11 |
4-Φ11 |
75 |
75 |
55 |
4-Φ10 |
10 |
工氟 程塑 塑料料, |
| QBY-40 |
215 |
150 |
130 |
120 |
380 |
530 |
70 |
40 |
32 |
4-Φ13.5 |
4-Φ13.5 |
100 |
90 |
55 |
4-Φ10 |
10 |
| QBY-25A |
220 |
160 |
110 |
110 |
370 |
575 |
68 |
25 |
25 |
4-Φ11 |
4-Φ11 |
75 |
75 |
80 |
4-Φ12 |
10 |
鑄 鐵 、 不 銹 鋼 、 鋁 合 金 |
| QBY-40A |
220 |
160 |
130 |
120 |
370 |
575 |
68 |
40 |
32 |
4-Φ13.5 |
4-Φ13.5 |
100 |
90 |
80 |
4-Φ12 |
10 |
| QBY-50 |
340 |
240 |
140 |
140 |
550 |
800 |
65 |
50 |
50 |
4-Φ13.5 |
4-Φ13.5 |
110 |
110 |
145 |
4-Φ17.5 |
12 |
| QBY-65 |
340 |
240 |
160 |
160 |
550 |
800 |
70 |
65 |
65 |
4-Φ13.5 |
4-Φ13.5 |
130 |
130 |
145 |
4-Φ17.5 |
12 |
| QBY-80 |
340 |
240 |
190 |
190 |
580 |
950 |
100 |
80 |
80 |
4-Φ17.5 |
4-Φ17.5 |
150 |
150 |
130 |
4-Φ17.5 |
14 |
| QBY-100 |
340 |
240 |
210 |
190 |
580 |
950 |
100 |
100 |
80 |
4-Φ17.5 |
4-Φ17.5 |
170 |
170 |
130 |
4-Φ17.5 |
14 |
使用說明
氣動隔膜泵應用實例
- 油罐清底,盡管有墊水法抽油,也不能保證將油抽凈,表面總要剩下至少3-5mm厚的油層。以5000m3油罐為例,每次大約損耗1-1.5t油。對于有低位脫水槽的油罐,雖可將剩下的油和水排放到含油污水處理場回收,但是揮發的油品在輸送過程中大都揮發殆盡,且污染環境。
- 臨時倒罐、裝卸車和油品采樣,煉油生產調度過程中,油品經常要臨時倒罐、裝車和對油罐中油品采樣檢驗。或者為了不至于污染正常的管線時,用隔膜泵接臨時管線可以迅速方便地完成此項任務。
- 油輪倉底油回收一條3000t的油輪用固定螺桿泵卸油,倉庫隔板之間至少要剩余50t油,若用排量較大的隔腆泵,可以收到很好的效果。
- 瓦斯、硫化氫殘液的輸送煉油廠火炬底部的瓦斯殘液和含硫水,需要集中排放和處理,否則會形成酸性腐蝕設備。
- 陶瓷行業:用該泵抽吸釉漿,并可用于向壓濾機送壓。
- 下水井、暗溝排除漬水、污油在下水井管道,閥門及暗溝檢修時,需要排除漬水和污油。用潛水泵雖可抽盡潰水,但往往這些地方都遠離電源,很不方便。使用隔膜泵則可采用壓縮氣瓶作動力,回收污油,排泄潰水。
- 污水處理場和污泥池的清掃污水處理場的污泥池,常常聚積大量的油泥和淤沙,需要清掃,采用隔膜泵抽吸靈活、方便省工、省力、省時。
- 液化氣泵房和化驗室排漬水,由于這些地方地勢較低,又是一級防火區,采用隔膜泵排漬水比較安全,比用水抽子、汽抽子效率高出好多倍。
- 此外,此泵應用于環烷酸精制轉料,裝車亞硫酸納液體輸送,苯類原料裝卸車等方面都有它自己的優勢。
將液體從A容器抽送到B容器可用此法。

將泵浸在液體中,可代替潛水泵使用,壓縮空氣另用軟管引出。

高粘稠液體可采用此種方法將液位提高,使液料容易抽出。
注意事項
- 本泵振太輕微,一般情況可不裝底腳螺栓。
- 如壓縮空氣有臟物進入,將會影響泵的正常啟動,建議用戶加裝氣動三聯件。
- 在抽吸易凍結的介質時,應在泵的進口處裝閥門,當停止用泵時,先將該閥關閉,然后再開泵數分鐘,將泵體介質排凈為止以免造成下次開泵困難。
- 更換隔膜時,須將泵內腕連桿,鉛套清洗干凈,并不要損壞白色四氟密封圈,按原樣裝好,即可使用。